|
|
|
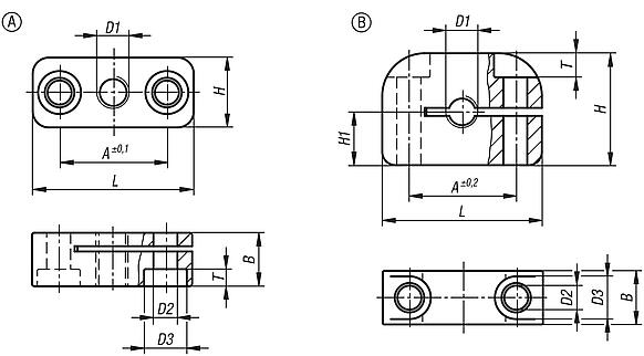
03099Mounting brackets, aluminium, for standard and cam-action... |
go back |
|
|
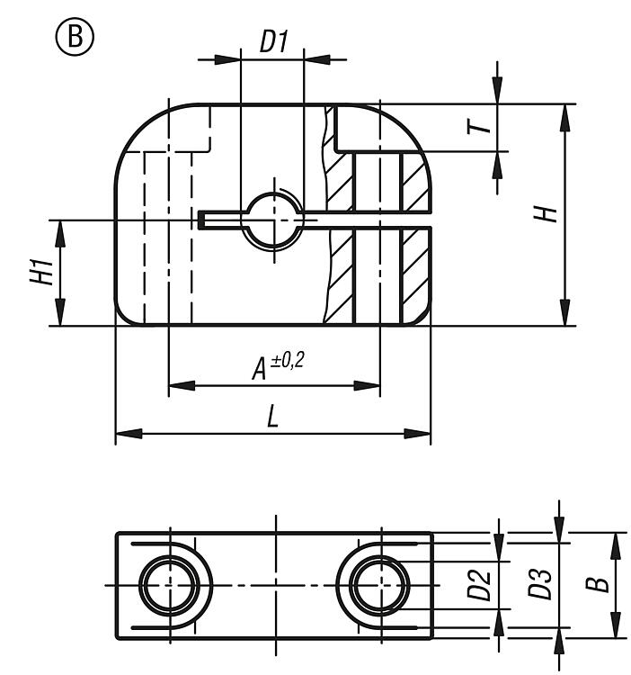
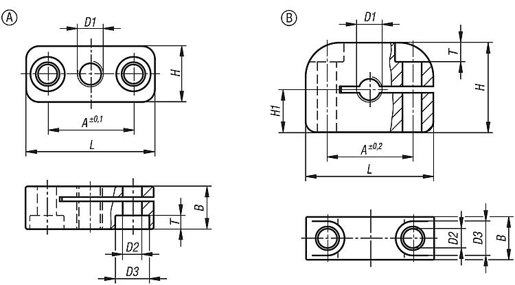
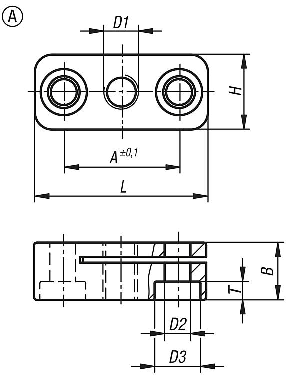
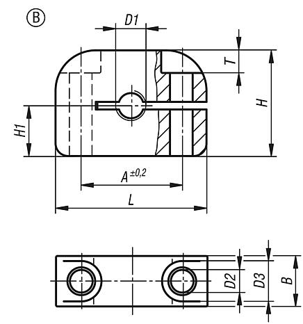
DescriptionMaterial:Aluminium 3.2163.Version:black.Note:These mounting brackets are an assembly aid for cam-action and other indexing plungers and expand the application field. They can also be used with other elements that have a suitable thread. Fastened using DIN 912 / ISO 4762 cap screws.Drawing reference:Form A: fastening holes parallel to thread Form B: fastening holes perpendicular to thread Special features: DownloadHere is all the information as a PDF datasheet:
Are you looking for CAD data? These can be found directly in the product table.
|
Drawings (total overview) |
Order No. | Form | D1 | D2 | D3 | A | B | H | H1 | L | T | CAD | Acc. | Price | Order |
|---|
| 03099-306 | A | M6 | 4,5 | 8 | 20 | 10 | 13 | - | 30 | 3,2 |  | | on request | | | 03099-3061 | A | M6x0,75 | 4,5 | 8 | 20 | 10 | 13 | - | 30 | 3,2 |  | | on request | | | 03099-308 | A | M8 | 4,5 | 8 | 20 | 10 | 13 | - | 30 | 3,2 |  | | on request | | | 03099-3081 | A | M8x1 | 4,5 | 8 | 20 | 10 | 13 | - | 30 | 3,2 |  | | on request | | | 03099-310 | A | M10 | 5,5 | 10 | 24 | 12 | 18 | - | 37 | 3,9 |  | | on request | | | 03099-3101 | A | M10x1 | 5,5 | 10 | 24 | 12 | 18 | - | 37 | 3,9 |  | | on request | | | 03099-312 | A | M12 | 5,5 | 10 | 24 | 12 | 18 | - | 37 | 3,9 |  | | on request | | | 03099-3121 | A | M12x1,5 | 5,5 | 10 | 24 | 12 | 18 | - | 37 | 3,9 |  | | on request | | | 03099-316 | A | M16 | 5,5 | 10 | 32 | 15 | 25 | - | 46 | 3,9 |  | | on request | | | 03099-3161 | A | M16x1,5 | 5,5 | 10 | 32 | 15 | 25 | - | 46 | 3,9 |  | | on request | | | 03099-320 | A | M20 | 5,5 | 10 | 32 | 15 | 25 | - | 46 | 3,9 |  | | on request | | | 03099-3201 | A | M20x1,5 | 5,5 | 10 | 32 | 15 | 25 | - | 46 | 3,9 |  | | on request | |
|
Order No. | Form | D1 | D2 | D3 | A | B | H | H1 | L | T | CAD | Acc. | Price | Order |
|---|
| 03099-406 | B | M6 | 4,5 | 8 | 20 | 10 | 21 | 10 | 30 | 4,5 |  | | on request | | | 03099-4061 | B | M6x0,75 | 4,5 | 8 | 20 | 10 | 21 | 10 | 30 | 4,5 |  | | on request | | | 03099-408 | B | M8 | 4,5 | 8 | 20 | 10 | 21 | 10 | 30 | 4,5 |  | | on request | | | 03099-4081 | B | M8x1 | 4,5 | 8 | 20 | 10 | 21 | 10 | 30 | 4,5 |  | | on request | | | 03099-410 | B | M10 | 5,5 | 10 | 24 | 12 | 26 | 13 | 36 | 5,5 |  | | on request | | | 03099-4101 | B | M10x1 | 5,5 | 10 | 24 | 12 | 26 | 13 | 36 | 5,5 |  | | on request | | | 03099-412 | B | M12 | 5,5 | 10 | 24 | 12 | 26 | 13 | 36 | 5,5 |  | | on request | | | 03099-4121 | B | M12x1,5 | 5,5 | 10 | 24 | 12 | 26 | 13 | 36 | 5,5 |  | | on request | | | 03099-416 | B | M16 | 5,5 | 10 | 32 | 15 | 29 | 17 | 46 | 5,5 |  | | on request | | | 03099-4161 | B | M16x1,5 | 5,5 | 10 | 32 | 15 | 29 | 17 | 46 | 5,5 |  | | on request | | | 03099-420 | B | M20 | 5,5 | 10 | 32 | 15 | 29 | 17 | 46 | 5,5 |  | | on request | | | 03099-4201 | B | M20x1,5 | 5,5 | 10 | 32 | 15 | 29 | 17 | 46 | 5,5 |  | | on request | |
|
Other items in this category |
|
|