norelem uses cookies to optimally design and continually improve the website. By continuing to use this website, you agree to the use of cookies. You can find more information about cookies in our Data protection declaration.okay
Precision indexing plungers, steel with plastic spherical knob and cylindrical indexing pin
03186

Precision indexing plungers, steel with plastic spherical knob...

go back

Item description/product images

Show/filter all items
DescriptionProduct description:Indexing plungers are used where any change in locking position due to lateral forces should be prevented. A new indexed position can be only be moved to after the pin has been manually retracted.
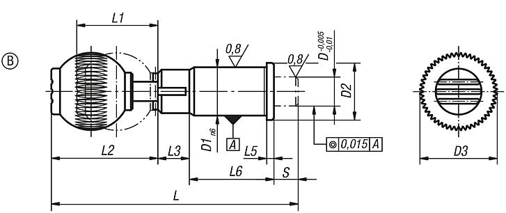
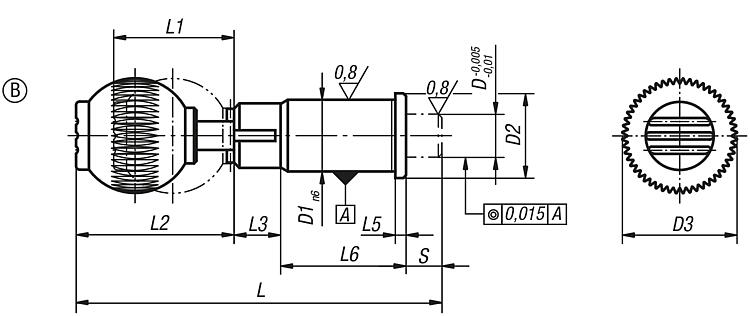
Form B is recommended for applications where the indexing pin should remain disengaged for an extended period and be prevented from springing back.

The indexing plungers with bushes are a perfect combination for quick positioning and securing. The precise design of both the indexing plunger and the bush guarantees high repeat accuracy when joining two elements.
Material:Free-cutting steel.
Spherical knob thermoplastic.
Version:Hardened and ground,
Spherical knob black-grey RAL7021.
Note:Technical Information see assembly and installation instructions.Drawing reference:
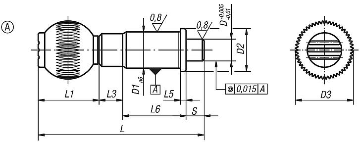
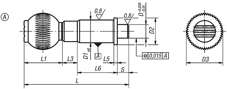
Form A: standard
Form B: lockable
Special features:
RoHS
DownloadHere is all the information as a PDF datasheet:

Are you looking for CAD data? These can be found directly in the product table.
 Datasheet 03186 Precision indexing plungers, steel with plastic spherical knob and cylindrical indexing pin 180 kB
 Assembly and installation instructions for precision indexing plungers 278 kB

Drawings (total overview)

Precision indexing plungers, steel with plastic spherical knob and cylindrical indexing pin

Precision indexing plungers, steel with plastic spherical knob and cylindrical indexing pin, standard

More information

Drawings

Precision indexing plungers, steel with plastic spherical knob and cylindrical indexing pin, standard

Item selection/filter

Order No.FormDD1D2D3LL1L3L5L6Travel
S
Spring force
initial pressure
F1 approx. N
Spring force
final pressure
F2 approx. N
female thread grip ballCADAcc.PriceOrder
03186-010A101619257925132,531101530M6 on request
03186-012A12202332913313335101535M8 on request
03186-016A16252840106,541,513342102050M10 on request
03186-020A20303340114,541,513350103663M10 on request
03186-025A253842501345113360102073M10 on request

Precision indexing plungers, steel with plastic spherical knob, cylindrical indexing pin and locking slot

More information

Drawings

Precision indexing plungers, steel with plastic spherical knob, cylindrical indexing pin and locking slot

Item selection/filter

Order No.FormDD1D2D3LL1L2L3L5L6Travel
S
Spring force
initial pressure
F1 approx. N
Spring force
final pressure
F2 approx. N
female thread grip ballCADAcc.PriceOrder
03186-110B10161925792536,5132,531101530M6 on request
03186-112B12202332913344,513335101535M8 on request
03186-116B16252840106,541,55313342102050M10 on request
03186-120B20303340114,541,55313350103663M10 on request
03186-125B253842501345162,513360102073M10 on request
My norelemE-mailPassword
Shopping cart
Number of items: 0
Amount: 0.00  
shopping cart
欢迎扫描二维码
咨询诺瑞朗官方客服微信
China
苏ICP备20011289号-1  苏公网安备32058502011222 Sitemap Print Recommended Top
Copyright © 2025 norelem. All rights reserved. Tel. +49 71 45/206-44 to 45 · Fax +49 71 45/206-83